Unidade Lógica (LU) - Worker Euro V

 

código1841/05

 

 

Descrição da falha

 

Saída da válvula de travamento Interdifferencial - circuito aberto

 

 

Causa

 

Circuito do sistema da válvula de bloqueio entre diferenciais em aberto.

 

 

Efeito da falha

 

Bloqueio não funcionará.

 

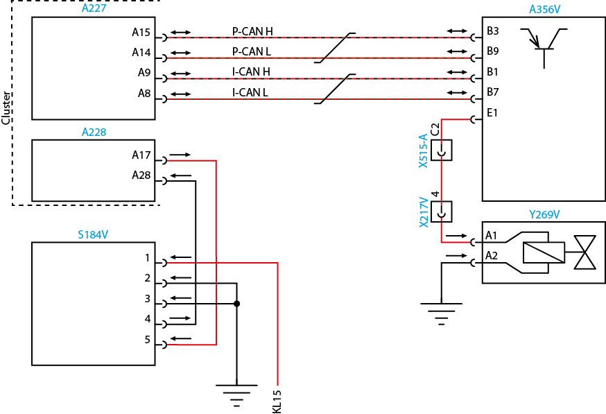
Circuito

 

 

 

 

Legenda

 

A227 Conector azul 32 vias - Painel de Instrumentos(X1)
A228 Conector verde 32 vias - Painel de Instrumentos(X2)
A356V LU (Unidade Lógica)
S184V Interruptor de acionamento do bloqueio do interdiferêncial
X217V Conector entre os chicotes dianteiro/traseiro
X515-A Conector de interface A (preto)
Y269V Válvula de bloqueio do interdiferêncial

 

 

 

Avisos

 

Nota:

Leia sempre as Recomendações para Diagnósticos.


 

Verifique os conectores quanto a pinos tortos e oxidados

 

 

Passos do diagnóstico de falhas

 

Etapa 01

 

Chave de ignição na posição desligada.
Meça a continuidade entre os terminais E1 da Unidade Lógica (LU) A356V e a válvula de bloqueio do interdiferêncial Y269V.

Meça a continuidade entre o pino 2 da válvula de bloqueio do interdiferêncial Y269V e o ponto de massa do veículo.

Existe continuidade?

 

Etapa 02

 

Repare o chicote elétrico.

Vá para a etapa 06.

 

 

 

 

 

 

   

Etapa 03

 

Para fins de teste, substitua a válvula de bloqueio do interdiferêncial Y269V.

Conecte todos os conectores.

Chave de ignição na posição ligada.

Apague os códigos de falha.

Teste o sistema quanto ao funcionamento normal.

A falha permanece ativa?

 

Etapa 04

 

Vá para a etapa 06.

 

 

 

 

 

 

 

   

Etapa 05

 

Para fins de teste, substitua a Unidade Lógica (LU) A356V. Vá para a etapa 06.

 

   
   

Etapa 06

 

Conecte todos os conectores.

Chave de ignição na posição ligada.

Apague os códigos de falha.

Teste o sistema quanto ao funcionamento normal.

A falha permanece ativa?

 

Etapa 07

 

Volte à etapa 01 e verifique o sistema novamente.

 

 

 

 

 

   

Etapa 08

 

Libere o veículo.

 

   

 

 

 

 

 

 

 

 

Topo da Página