Unidade Lógica (LU) - Worker Euro V

 

código1821-06

 

Descrição da falha

 

Saída do temporizador do limpador do pára-brisa em curto-circuito.

 

 

Causa

 

Sinal de saída do temporizador do limpador de para-brisa com curto-circuito.

 

 

Efeito da falha

 

Limpador de para-brisa não funcionará.

 

 

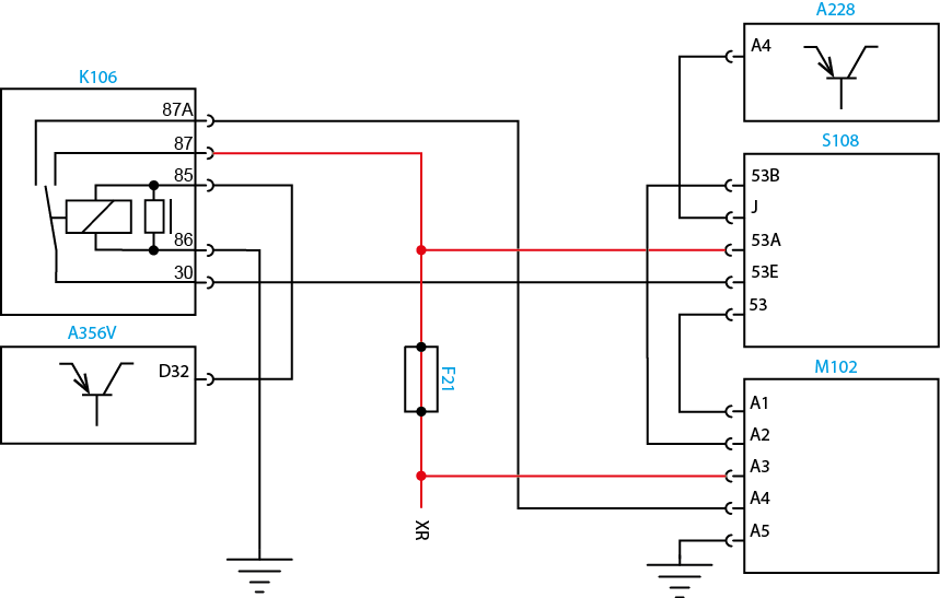
Circuito

 

 

 

 

Legenda

 

K106 Relé temporizador (limpador do para brisa)
A356V LU (Unidade Lógica)
A228 Conector verde 32 vias - Painel de Instrumentos(X2)
S108 Interruptor do limpador de pára-brisa
M102 Motor do limpador do para brisa
F21 Fusível 21

 

 

 

Avisos

 

Nota:

Leia sempre as Recomendações para Diagnósticos.


 

Verifique visualmente o circuito quanto a fios derretidos, descascados. Verifique também as condições das

Lâmpadas e soquetes.

 

 

Passos do diagnóstico de falhas

 

Etapa 01

 

Chave de ignição na posição desligada.
Desconecte o relé temporizador.
Meça a continuidade entre os terminais D32 Unidade Lógica (LU) e o massa, que não deve haver continuidade.


Está ok?

 

Etapa 02

 

Repare e/ou substitua o chicote elétrico.

Apague o código de falhas.

Refaça o teste.

 

 

 

 

   

Etapa 03


Meça a continuidade do pino 86 do relé temporizador (limpador do para brisa) para o massa, que deve haver continuidade.


Está ok?

 

Etapa 04

 

Repare e/ou substitua o chicote elétrico.

Apague o código de falhas.

Refaça o teste.

 

 

 

   

Etapa 05

 

Meça a isolação entre o terminal D32 conector da Unidade Lógica (LU) para os demais terminais do conector.

 

Está ok?

 

Etapa 06

 

Repare e/ou substitua o chicote elétrico.

Apague o código de falhas.

Refaça o teste.

 

 

   

Etapa 07

 

Para fins de teste, substitua o relé temporizador por um em bom estado.

 

O sistema opera normalmente?

 

Etapa 08

 

Recoloque o relé temporizador original.

Vá para a etapa 10.

 

 

 

 

   

Etapa 09

 

Substitua o relé temporizador por um novo.

Vá para a etapa 13.

 

   
   

Etapa 10

 

Para fins de teste, substitua a Unidade Lógica (LU) por uma em bom estado.

 

O sistema opera normalmente?

 

 

Etapa 11

 

Recoloque a Unidade Lógica (LU) original.

Vá para a etapa 01 e refaça os testes.

 

 

 

   

Etapa 12

 

Substitua a Unidade Lógica (LU) por uma nova.

Vá para a etapa 13.

 

   
   

Etapa 13

 

Conecte todos os conectores.

Chave de ignição na posição ligada.

Apague os códigos de falha.

 

O sistema opera normalmente?

Etapa 14

 

Vá para etapa 01 e refaça os testes.

 

 

 

 

 

   

Etapa 15

 

Libere o veículo.

 

   

 

 

 

 

 

 

 

 

Topo da Página