Unidade Lógica (LU) - Worker Euro V

 

código1800-06

 

Descrição da falha

 

Circuito das luzes de emergência em curto-circuito.

 

 

Causa

 

Sinal de saída do pisca alerta em curto-circuito.

 

 

Efeito da falha

 

A frequência de piscadas do sistema de luzes de emergência é dobrada.

 

 

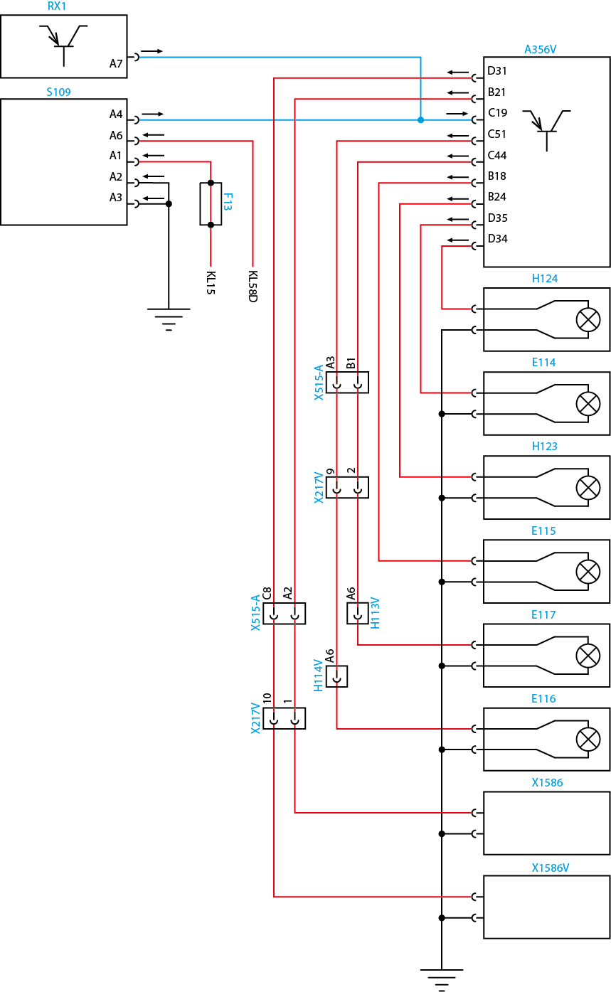
Circuito

 

 

 

 

Legenda

 

E114 Lâmpada da Luz indicadora de direção dianteira, lado direito
E115 Lâmpada da Luz indicadora de direção dianteira, lado esquerdo
E116 Lâmpada da luz indicadora de direção traseira, lado direito
E117 Lâmpada da luz indicadora de direção traseira, lado esquerdo
H123 Lâmpada da Luz indicadora de direção lateral, lado esquerdo
H124 Lâmpada da Luz indicadora de direçao lateral, lado direito
F13 Fusível 13
A356V LU (Unidade Lógica)
RX1 Volksnet
S109 Interruptor luz de emergência
X217V Conector entre os chicotes dianteiro/traseiro
X515-A Conector de interface A
H113V Lâmpada bipolar freio e posição lado esquerdo
H114 V Conector das lâmpadas trazeiras lado direito
X1586 Conector do trailer 1 lado direito(4 pinos)
X1586v Conector do trailer 1 lado esquerdo(4 pinos)

 

 

 

Avisos

 

Nota:

Leia sempre as Recomendações para Diagnósticos.


 

Verifique visualmente o circuito de comando e o das lâmpadas quanto a fios derretidos, descascados. Verifique também as condições das

Lâmpadas e soquetes.

 

 

Passos do diagnóstico de falhas

 

Etapa 01

 

Chave de ignição na posição desligada.

Desconecte o interruptor de emergência e o módulo Volksnet caso esteja presente. Meça a isolação entre o pino C19 conector da Unidade Lógica para os demais pinos do conector. Meça a resistência entre o pino C19 conector da Unidade Lógica para o massa que deve ser infinita.

Verifique também o circuito da lâmpadas quanto a isolação inadequada e curto para o massa.
Está ok?

 

Etapa 02

 

Repare e/ou substitua os componentes danificados, e vá para a etapa 06.

 

 

 

 

 

 

 

 

   

Etapa 03

 

Para fins de teste, substitua o interruptor de emergência.

Conecte todos os conectores.

Chave de ignição na posição ligada.

Apague os códigos de falha.

Teste o sistema quanto ao funcionamento normal.

A falha permanece ativa?

 

Etapa 04

 

Vá para a etapa 06.

 

 

 

 

 

 

   

Etapa 05

 

Para fins de teste, substitua a Unidade Lógica(LU).

Vá para a etapa 06.

 

   
   

Etapa 06

 

Conecte todos os conectores.

Chave de ignição na posição ligada.

Apague os códigos de falha.

Teste o sistema quanto ao funcionamento normal.

A falha permanece ativa?

 

Etapa 07

 

Volte à etapa 01 e refaça todos os testes.

 

 

 

 

 

   

Etapa 08

 

Libere o veículo.

 

   

 

 

 

 

 

 

 

 

Topo da Página