Unidade Lógica (LU) - Worker Euro V
código1622-12
Descrição da falha
Veículo configurado como sem TCO (Tacógrafo), porém recebe sinal da redeCAN que existe tacógrafo instalado.
Causa
Instalado TCO (Tacógrafo), em um veículo que está configurado como sem TCO (Tacógrafo).
Efeito da falha
A luz de advertência do TCO (Tacógrafo) é ativada, a velocidade será ajustada para zero.
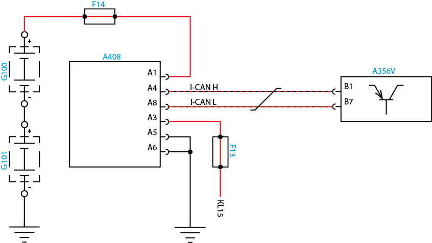
Circuito

Legenda
| G100 | Bateria 1 |
| G101 | Bateria 2 |
| A408 | Tacógrafo |
| F14 | Fusível 14 |
| F13 | Fusível 13 |
| A356V | LU (Unidade Lógica) |
Avisos
![]() |
Nota: Leia sempre as Recomendações para Diagnósticos.
|
Verifique as configurações de tacógrafo do veículo e consulte as configurações do veículo, antes de instalar o tacógrafo.
Em alguns países a legislação não obriga o uso do tacógrafo, portanto há configurações de veículo sem e com tacógrafo.
Passos do diagnóstico de falhas
Etapa 01
Existe tacógrafo instalado no veículo?
|
![]() |
Etapa 02
Vá para a etapa 05.
|
![]() |
||
Etapa 03
Remova o tacógrafo. Chave de ignição na posição ligada. Apague os códigos de falha. Teste o sistema quanto ao funcionamento normal. A falha permanece ativa?
|
![]() |
Etapa 04
Vá para a etapa 06.
|
![]() |
||
Etapa 05
Para fins de teste, substitua a Unidade Lógica(LU). Vá para a etapa 06.
|
||
![]() |
||
Etapa 06
Conecte todos os conectores. Chave de ignição na posição ligada. Apague os códigos de falha. Teste o sistema quanto ao funcionamento normal. A falha permanece ativa?
|
![]() |
Etapa 07
Volte à etapa 01 e refaça todos os testes.
|
![]() |
||
Etapa 08
Libere o veículo.
|
| Topo da Página |
|---|