Unidade Lógica (LU) - Worker Euro V
código1622-06
Descrição da falha
Circuito de Alimentação do Sensor de Velocidade (Sensor Hall)
Causa
Detectado curto com o massa na alimentação do sensor de
velocidade.
Efeito da falha
Não indica velocidade no painel, não registra velocidade no tacógrafo e a luz de advertência do MTCO (Tacógrafo Modular) é ativada.
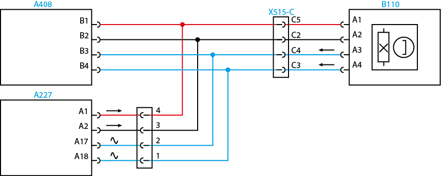
Circuito

Legenda
| A408 | Tacógrafo |
| X515-C | Conector de interface C |
| A227 | Conector azul 32 vias - Painel de Instrumentos(X1) |
| B110 | Sensor de velocidade(Hall) |
Avisos
![]() |
Nota: Leia sempre as Recomendações para Diagnósticos.
|
Passos do diagnóstico de falhas
Etapa 01
Chave de ignição na posição desligada. Desconecte o sensor de velocidade. Verifique continuidade do circuito acima, e meça a isolação entre o pino B1 do tacógrafo e os demais fios do circuito, meça a continuidade do conector B1 do tacógrafo para o massa, que não deve ter continuidade. Está ok?
|
![]() |
Etapa 02
Repare e/ou substitua os componentes danificados, e vá para a etapa 06.
|
![]() |
||
Etapa 03
Para fins de teste, substitua o sensor de velocidade. Conecte todos os conectores. Chave de ignição na posição ligada. Apague os códigos de falha. Teste o sistema quanto ao funcionamento normal. A falha permanece ativa?
|
![]() |
Etapa 04
Vá para a etapa 06.
|
![]() |
||
Etapa 05
Para fins de teste, substitua a Unidade Lógica(LU). Vá para a etapa 06.
|
||
![]() |
||
Etapa 06
Conecte todos os conectores. Chave de ignição na posição ligada. Apague os códigos de falha. Teste o sistema quanto ao funcionamento normal. A falha permanece ativa?
|
![]() |
Etapa 07
Volte à etapa 01 e refaça todos os testes.
|
![]() |
||
Etapa 08
Libere o veículo.
|
| Topo da Página |
|---|