Unidade Lógica (LU) - Worker Euro V
código0598-10
Descrição da falha
Pedal da embreagem pressionado por tempo excessivo.
Causa
Pedal da embreagem pressionado por tempo excessivo.
Efeito da falha
Será exibido um símbolo de embreagem segura no painel.
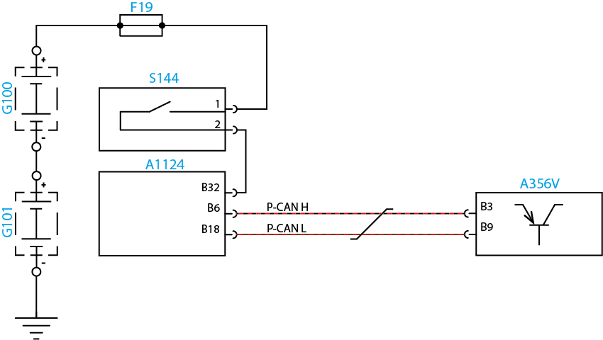
Circuito

Legenda
| G100 | Bateria 1 |
| G101 | Bateria 2 |
| F19 | Fusível 19 (F19) |
| A356V | Unidade Lógica (LU) |
| S144 | Interruptor superior do pedal de embreagem |
| A1124 | PTM (Power train manager) |
Avisos
![]() |
Nota: Leia sempre as Recomendações para Diagnósticos.
|
Passos do diagnóstico de falhas
Etapa 01 Apague o código de falhas e faça um teste de rodagem conduzindo o veículo de forma correta. A falha ainda permanece ativa?
|
![]() |
Etapa 02
Vá para a etapa 10.
|
![]() |
||
Etapa 03
Verique o fusível F19, o circuito entre o sensor superior de embreagem e a PTM, e a alimentação do sensor.Verifique também o sensor. esta ok?
|
![]() |
Etapa 04
Repare o chicote elétrico ou o componente danificado, e vá para a etapa 09.
|
![]() |
||
Etapa 05
Para fins de teste, substitua a PTM. Conecte todos os conectores. Chave de ignição na posição ligada. Apague os códigos de falha. Teste o sistema quanto ao funcionamento normal. A falha permanece ativa?
|
![]() |
Etapa 06
Vá para a etapa 09.
|
![]() |
||
Etapa 07
Para fins de teste, substitua a Unidade Lógica(LU) Conecte todos os conectores. Chave de ignição na posição ligada. Apague os códigos de falha. Teste o sistema quanto ao funcionamento normal. A falha permanece ativa?
|
![]() |
Etapa 08
Volte à etapa 01 e refaça todos os testes.
|
![]() |
||
Etapa 09
faça um teste de rodagem conduzindo o veículo de forma correta. se a falha ainda estiver ativa volte à etapa 1 e refaça todos os testes, se tiver sido eliminada vá para a etapa 10.
|
||
Etapa 10
Libere o veículo.
|
| Topo da Página |
|---|