Unidade Lógica (LU) - Worker Euro V

 

código0168-00

 

Descrição da falha

 

Sistema de carga da bateria com valor de tensão muito alto.

 

 

Causa

 

Detectada tensão muito alta no sistema da bateria.

 

 

Efeito da falha

 

Se a tensão permanecer acima do máximo especificado, o sistema será desligado.

 

 

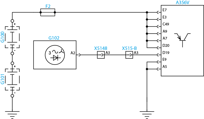
Circuito

 

 

 

 

Legenda

 

G100 Bateria 1
G101 Bateria 2
F2 Fusível 2 (F2)
A356V Unidade Lógica (LU)
G102 Alternador
X5148 Conector motor/Cabina (caixa/motor)
X515-B Conector interface B (marron)
   

 

 

 

Avisos

 

Nota:

Leia sempre as Recomendações para Diagnósticos.


 

 

 

Passos do diagnóstico de falhas

 

Etapa 01

 

Verifique o funcionamento do alternador conforme o manual de reparos.
Verifique o funcionamento e faça os testes  da bateria conforme o manual de reparos.

Verifique o Fusível F2.
Está ok?

Etapa 02

 

Repare ou substitua o componente danificado,e vá para a etapa 06.

 

 

 

 

   

Etapa 03

 

Meça a continuidade do circuito conforme desenho acima.
Está ok?

 

Etapa 04

 

Repare o chicote elétrico, e vá para a etapa 06.

 

 

   

Etapa 05

 

Para fins de teste, substitua a Unidade Lógica (LU), e vá para a etapa 06.

 

   
   

Etapa 06

 

Conecte todos os conectores.

Chave de ignição na posição ligada.

Apague os códigos de falha.

Teste o sistema quanto ao funcionamento normal.

A falha permanece ativa?

 

Etapa 07

 

Volte à etapa 01 e verifique o sistema novamente.

 

 

 

 

 

   

Etapa 08

 

Libere o veículo.

 

   

 

 

 

 

 

 

 

 

Topo da Página