|
 
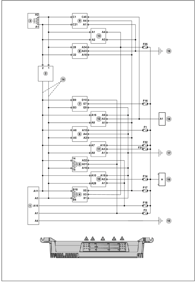
Legenda
- Conector de diagnósticos (OBD)
- Conector E-rack A
- Resistor da rede CAN somente para veículos com motorização Cummins
- PTM (onde está localizado resistor de 120 Ω nos pinos 18 e 6 do conector B)
- Cluster X1(onde está localizado resistor de 120 Ω nos pinos 14 e 15 do conetor X1)
- Volkslog
- Unidade Lógica (LU)
- Unidade dosadora (arla 32)
- ECM
- TCU
- ABS
- VTTS
- Sensor Nox
- Circuito apenas para motores Cummins
- Ponto de massa localizado dentro do E-Rack
- Potencial positivo
- Ponto de massa localizado na coluna A lado direito
- Relê de bloqueio
- Ponto de massa localizado na parte frontal do chassi
Descrição da Falha
Interruptor superior da embreagem,
indicando que pedal da embreagem está pressionado por tempo excessivo.
Indicação de Falha
A luz de advertência de proteção da embreagem permanece ligada enquanto a falha estiver ativa e o alarme sonoro curto, com o veículo andando ou parado.
Estratégia de Monitoramento
A Unidade Lógica
monitora se o motorista mantiver o pedal de embreagem pressionado por
tempo excessivo, o sistema gera um sinal de advertência para aumentar a
vida útil do sistema de embreagem, ou seja, atingindo a velocidade de
40 km/h sem mudança no interruptor superior de embreagem.
Efeito da Falha
Não há efeito para este código.
Possíveis Falhas
FMI 2: Sinal Implausível.
FMI 10: Pedal de embreagem pressionado por tempo excessivo.
– Interruptor superior danificado.
– Verificar o chicote de
comunicação CAN com a LU.
Aviso

Leia sempre as Recomendações para Diagnósticos.
- Verificar se há registro de falha na ECM (Eletric Control Module).
- Verificar se há registro de falha na PTM (Power train Manager)
Registro de Falhas em Outros Módulos de Comando
----
Passos do Diagnóstico de Falhas

Consultar os esquemas elétricos do veículo
Verificação
| Medição
| Eliminação da Falha
|
Tomada OBD
|
Com a linha 15 desligada:
- Medir a resistência entre os pinos A11 (CAN-L) e A3 (CAN-H)
Valor nominal:
~120 Ω
|
– Verificar os cabos quanto a mau contato, corrosão ou cabos invertidos
– Verificar as conexões quanto a oxidação ou mau contato
– Em cerca de 0 Ω, curto-circuito de CAN-H para CAN-L
– Caso nenhuma falha seja verificada, substituir a Unidade Lógica (LU)
|
|