|
Descrição da Falha
Sinal do sensor de nível do líquido de arrefecimento vazio,
sinal muito baixo.
Indicação de Falha
Luz de alerta acende constantemente com
os símbolos
e e
ativa o alarme sonoro agudo pulsante, com o veículo andando ou parado.
Estratégia de Monitoramento
O
módulo monitora o circuíto dos sensores do líquido de arrefecimento baixo e vazio.
Efeito da Falha Não há efeito previsto para esta falha.
Possíveis Falhas
FMI 2: Sinal muito baixo.
Aviso
 Não há
aviso específico para este código.
Registros de Falhas em Outros
Módulos de Comando
Sim, na LU (Unidade Lógica).
Considerar os esquemas
elétricos do veículo
| Verificação
|
Medição |
Eliminação da
Falha |
|
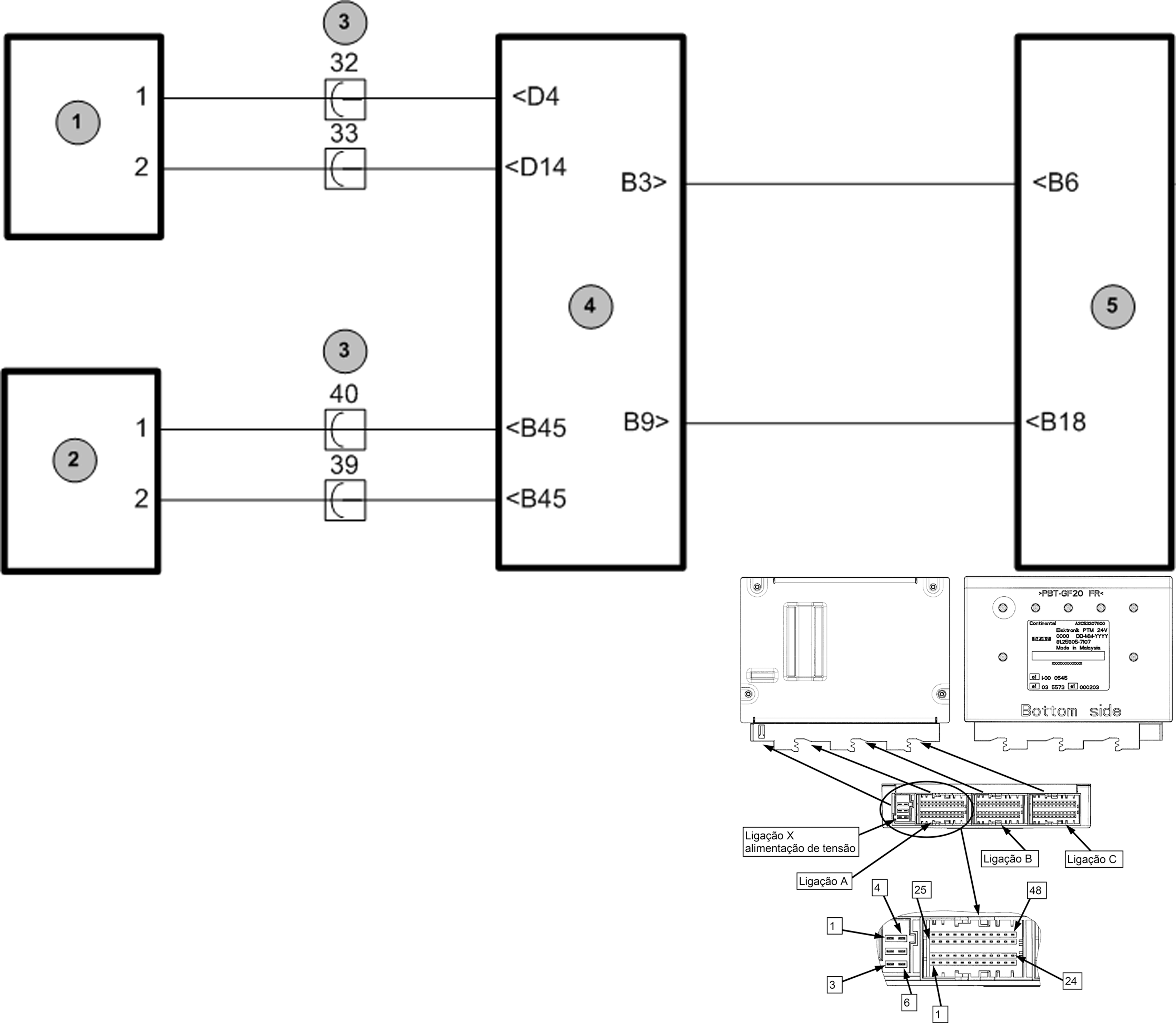
Circuíto nível do líquido de arrefecimento para a
PTM (Power Train Manager)
|
Continuidade
do circuito:
- Módulo PTM pino B6 para o pino B3 da Unidade Lógica (LU).
- Módulo PTM pino B18 para o pino B9 da Unidade Lógica (LU).
- Unidade Lógica (LU) pino D5 para o 40 da interface A.
- Unidade Lógica (LU) pino D15 para o 39 da interface A.
- Unidade Lógica (LU) pino D4 para o 32 da interface A.
- Unidade Lógica (LU) pino D14 para o 33 da interface A.
- Interface A pino 40 para o A1 do sensor de nível vazio.
- Interface A pino 39 para o A2 do sensor de nível vazio.
- Interface A pino 32 para o A1 do sensor de nível baixo.
- Interface A pino 33 para o A2 do sensor de nível baixo.
|
– Verificar os cabos
quanto a rompimento ou oxidação.
– Verificar as conexões
quanto a mau contato ou pino torto.
- Verificar se a LU apresenta alguma falha. Caso positivo, proceder conforme descrição da falha. - Caso nenhuma falha
seja verificada, substituir o módulo
PTM (Power Train Manager).
|
|