|
Descrição da Falha
Circuito do interruptor de neutro, circuito interrompido ou curto circuito para o positivo.
Indicação de Falha
Luz de alerta acende constantemente em amarelo com símbolo
e ativa o alarme sonoro curto, com o veículo andando ou parado.
Estratégia de Monitoramento
O
módulo PTM (Power Train Manager) monitora a rede CAN do circuito do interruptor de neutro.
Efeito da Falha
O motor não liga.
Possíveis Falhas
FMI 5: Curto circuito para o massa.
FMI 12: Circuito interrompido ou curto circuito para o positivo.
Aviso
 Não há
aviso específico para este código.
Registros de Falhas em Outros
Módulos de Comando
Sim, Unidade Lógica (LU).
Considerar os esquemas
elétricos do veículo
| Verificação
|
Medição |
Eliminação da
Falha |
|
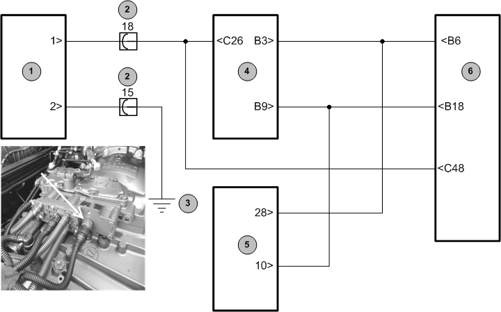
Módulo PTM (Power Train Manager) para o
interruptor de neutro
|
Continuidade
do circuito:
- PTM (Power Train Manager) pino C48 para o 15 da interface B
- PTM (Power Train Manager) pino B6 para o B3 da Unidade Lógica (LU)
- PTM (Power Train Manager) pino B18 para o B9 da Unidade Lógica (LU)
- Unidade Lógica (LU) pino C26 para o 15 Interface B
- Interface B pino 15 para o A1 interruptor de neutro
- Interruptor de neutro pino A2 para o massa
|
– Verificar os cabos
quanto a rompimento ou oxidação.
– Verificar as conexões
quanto a mau contato ou pino torto.
- Caso nenhuma falha
seja verificada, substituir o módulo
PTM
(Power Train Manager).
|
|