|

1- Sensor nível baixo.
2- Sensor nível vazio.
Descrição da Falha
Sinal do sensor de nível do líquido de arrefecimento vazio,
sinal muito baixo.
Indicação de Falha
Luz de alerta acende constantemente com
os símbolos
e e
ativa o alarme sonoro agudo pulsante, com o veículo andando ou parado.
Estratégia de Monitoramento
O
módulo monitora o circuíto dos sensores do líquido de arrefecimento baixo e vazio.
Efeito da Falha Não há efeito previsto para esta falha.
Possíveis Falhas
FMI 2: Sinal muito baixo.
Aviso
 Não há
aviso específico para este código.
Registros de Falhas em Outros
Módulos de Comando
Sim, na LU (Unidade Lógica).
Considerar os esquemas
elétricos do veículo
| Verificação
|
Medição |
Eliminação da
Falha |
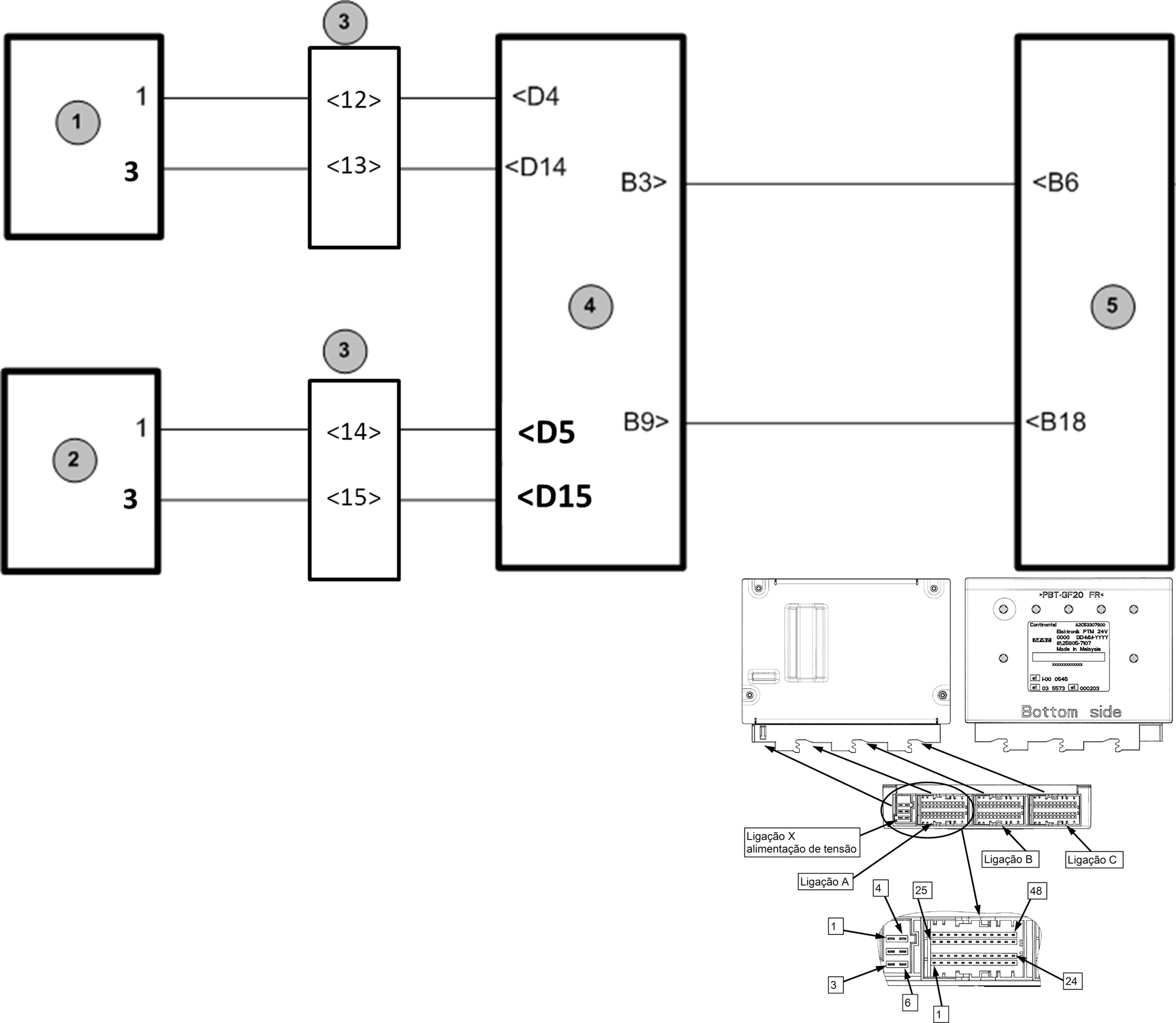
|
Circuíto nível do líquido de arrefecimento para a
PTM (Power Train Manager)
|
Continuidade
do circuito:
- Sensor de nível baixo pino A1 para E-Rack F pino 12
- Sensor de nível baixo pino A3 para E-Rack F pino 13
- E-Rack F pino 12 para módulo LU pino D4
- E-Rack F pino 13 para módulo LU pino D14
- Módulo LU pino B3 para módulo PTM pino B6
- Sensor de nível vazio pino A1 para E-Rack F pino 14
- Sensor de nível vazio pino A3 para E-Rack F pino 15
- E-Rack F pino 14 para módulo LU pino D5
- E-Rack F pino 15 para módulo LU pino D15
- Módulo LU pino B9 para módulo PTM pino B18
|
– Verificar os cabos
quanto a rompimento ou oxidação.
– Verificar as conexões
quanto a mau contato ou pino torto.
- Verificar se a LU apresenta alguma falha. Caso positivo, proceder conforme descrição da falha. - Caso nenhuma falha
seja verificada, substituir o módulo
PTM (Power Train Manager).
|
|