Módulo PTM Euro V

Código: 5544/08

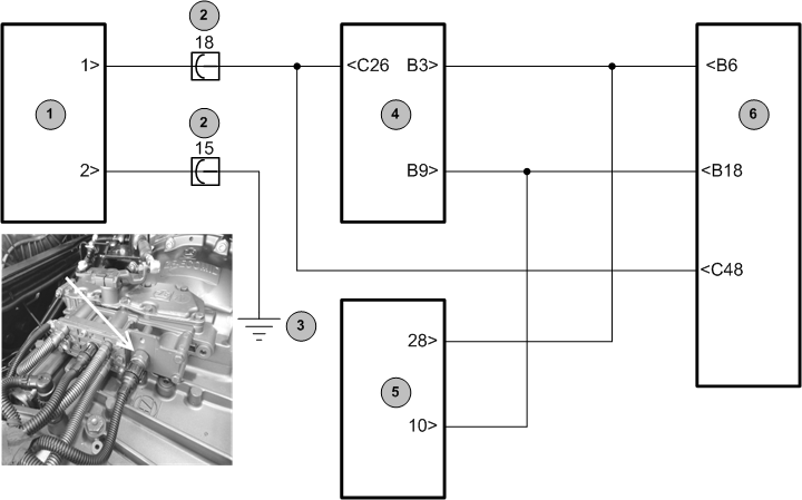
Rede CAN Módulo TCU/LU

Circuito do interruptor de neutro

 

     1 - Interruptor de neutro.

    2 - Erack - A

    3 - Ponto de massa localizado na coluna direita.

    4 - Unidade Lógica (LU).

    5 - TCU (Transmission Control Unit).

    6 - PTM (Power Train Manager).

 

Descrição da Falha

Circuito do interruptor de neutro, sinal defeituoso.


 

Indicação de Falha

Luz de alerta acende constantemente em amarelo com símbolo e ativa o alarme sonoro curto, com o veículo andando ou parado.


 

Estratégia de Monitoramento

O módulo PTM (Power Train Manager) monitora a rede CAN do circuito do interruptor de neutro.


 

Efeito da Falha

O motor não liga.


 

Possíveis Falhas

FMI 8: Sinal defeituoso.

FMI 9: Falha do equipamento.


 

Aviso

Não há aviso específico para este código.

 



 

Registros de Falhas em Outros Módulos de Comando

Sim, Unidade Lógica (LU).


 

Considerar os esquemas elétricos do veículo



 


Topo da Página