Informações Gerais

Luzes de advertência, alarme e códigos de falhas.

 

Luzes de aviso


•  Luzes vermelhas indicam advertências importantes para o motorista ou uma falha grave no veículo. O veículo não deve ser posto em movimento com qualquer dessas luzes acesas. Caso uma delas acenda com o veículo em movimento, pare assim que as condições de trânsito oferecerem segurança e procure corrigir o problema.

• Luzes amarelas indicam que algum dispositivo auxiliar foi acionado ou, que alguma falha leve está ocorrendo (água no combustível, restrição no filtro de ar, etc). Em caso de falha leve não é necessário parar o veículo imediatamente, mas a falha deve ser corrigida assim que possível.

• Luzes verdes/azuis indicam o acionamento de iluminação externa. O alarme sonoro, em conjunto com os instrumentos do painel, a tela de display e as luzes de aviso, formam um sistema de alarme multissensorial, ou seja, qualquer anormalidade em um dos sistemas indicados a seguir, pode ser identificada pelo alarme sonoro, e confirmada através dos instrumentos e das luzes de advertência. O alarme sonoro soa nas seguintes condições:

• Pressão de óleo do motor baixa

• Superaquecimento do motor

• Pressão no sistema de freio baixa

• Cabine destravada

• Nível do líquido de arrefecimento baixo



A tela de display no centro do painel (1) de instrumentos possui uma série de símbolos, permitindo a visualização e identificação rápida de qualquer anormalidade nos sistemas do veículo, sendo utilizada também com mostrador digital do computador de bordo.

 




Luzes de aviso do Display


 



Funções das luzes de aviso



Item
Indicação
Observação


1

Freio de estacionamento acionado
Indica que o freio de estacionamento está aplicado


2

Baixo nível de líquido no sistema de arrefecimento
Teste: Acende durante a partida do motor.


3

Piloto automático / PTO
Indica que o botão de acionamento foi pressionado. O sistema, embora habilitado está inativo, aguardando a programação de velocidade/rotação.



4

Falha no rastreador
Indica falhas no sistema do rastreador.



5

Veículo bloqueado
Indica que o veículo está bloqueado. Também utilizado durante o procedimento de desbloqueio



6

Falha no ventilador do radiador
Não utilizado para estes modelos.



7

Reduzida
Indica que a marcha selecionada está na posição "baixa". Veja capítulo "Caixa de Mudanças".


8

Marcha baixa da caixa de mudanças
Indica que a alavanca de mudanças está selecionada no 1° H. Veja capítulo "Caixa de Mudanças".



9

Luz de direção esquerda




10

Falha leve
Indica que uma falha leve está ocorrendo.
Não é necessário parar o veículo. Porém, na primeira oportunidade dirija-se a um Concessionário MAN Latin America. No visor, aparecerá o ícone ao qual a falha está associada.

11

Indicador do pisca-pisca do reboque


12

Farol alto acionado


13

Falta de carga na bateria
Teste: Acende ao girar a chave para a posição "Partida", e apaga após o motor entrar em funcionamento (se o alternador estiver funcionando perfeitamente).



14

Luz de direção direita

15

Falha na suspensão pneumática
Não utilizado para estes modelos.
16

Sistema de ajoelhamento acionado
Não utilizado para estes modelos.
17

Veículo fora de nível
Veículo fora de nível.
18

ECAS
Não utilizado para estes modelos.
19

Filtro de combustível obstruído
Indica que o filtro de combustível deve ser substituído.


20

Presença de água no combustível
Indica que o filtro separador de água deve ser drenado.
Teste: Acende durante a partida do motor.

21

Filtro de ar obstruído
Indica que o filtro de ar deve ser substituído. Teste: Acende durante a partida do motor.
22

Acionamento do suspensor pneumático do 3° eixo
Não utilizado para estes modelos.


23

Cabine destravada
Acende caso a cabine esteja destravada, e permanece acesa enquanto o problema não for corrigido. O alarme dispara.
24

Freio motor acionado com potência de 100%
Indica que o freio motor está acionado com 100% de potência
 (a tecla no painel está na posição LIGADO).

25

Freio motor acionado com potência de 50%
Indica que o freio motor está acionado com 50% de potência (a tecla no painel está na posição LIGADO).



26

LIM (Lâmpada indicadora de mau funcionamento do
sistema OBD Autodiagnose de Bordo) Injeção do agente redutor ARLA 32
Indica falha no sistema de injeção do agente redutor ARLA 32
e no sistema de controle de emissões de poluentes.




27

Função de proteção da embreagem
Indica quando a embreagem é exposta a condições de desgaste (por ex.: quando o motorista "descansa” o pé sobre o pedal
por muito tempo).



28

Erro no tacógrafo
Acende em caso de divergência no total de quilômetros gravados entre a unidade lógica e o tacógrafo, ou quando há falha no tacógrafo. (Ex.: Falta de disco).
29

Aviso do cinto de segurança (opcional)
Coloque o cinto de segurança.


Baixo nível de combustível
Indica que o nível de combustível está baixo, abasteça o veículo.



Baixa pressão do ar no sistema de freio
Acende caso a pressão do ar caia abaixo de 5,1 bar.
Teste: Acende durante a partida do motor.



Baixa pressão do óleo do motor
Teste: Acende durante a partida do motor, e apaga após o motor entrar em funcionamento.


Superaquecimento do motor
Teste: Acende durante a partida do motor, e apaga após o motor entrar em funcionamento.




 

Sistema de autoproteção do motor


 



O motor eletrônico informa, por meio das luzes de aviso no painel, possíveis falhas em seus componentes ou sistemas.
O triângulo (1) amarelo acende quando uma falha leve ocorre no veículo, acompanhado do ícone ao qual a falha está associada.


A o símbolo (2) indica que uma falha grave está ocorrendo. Pare o veículo imediatamente, assim que as condições de trânsito
sejam seguras.

No visor, aparecerá o ícone ao qual a falha está associada e o alarme soará.


A lâmpada  (3) do sistema de auto diagnose de bordo (OBD) acende quando ocorre uma falha do sistema de controle de emissões, e quando o nível de NOx emitido pelo escapamento está fora do especificado.


Nas falhas listadas a seguir, se o veículo continuar em movimento, haverá o despotenciamento do motor, ou seja, o motor irá perder potência:

• Superaquecimento do motor

• Baixo nível do líquido de arrefecimento

• Baixa pressão do óleo lubrificante

• Todas as falhas relacionadas ao sistema de controle de emissões (OBD), com nível de NOx superior a 7,0 g/kwh





Módulo eletrônico de comando do motor EDC7 (A435)


Descrição:

Basicamente, o módulo eletrônico de comando do motor EDC controla a injeção correta de combustível e a adaptação deste controle sob diferentes condições de operação e, com isso, o controle da potência e das emissões do motor. O módulo de comando (software / hardware) é aplicável para no máximo seis cilindros.


Armazenamento de falhas:

O sistema é automonitorado continuamente. Para este objetivo, ocorre uma inspeção de área ('Signal-Range-Check'). Nesse monitoramento, todos os sinais em um determinado padrão de tempo (determinado através de software) são consultados quanto à existência e plausibilidade. O próprio módulo de comando é verificado constantemente durante todo o tempo de operação do programa. O primeiro monitoramento ocorre sempre ao ligar a ignição (monitoramento da 'soma de verificação'). Caso ocorram falhas durante a operação, elas são registrados na memória de falhas e uma mensagem aparece no visor do motorista.


No armazenamento de falhas, ocorre:

– Identificação do código de falha (SPN)

– Identificação do tipo de falha (FMI)

– Classificação da prioridade de falhas

– Detecção da frequência de falhas

– Detecção das condições limite (duas condições de meio ambiente) para o momento da classificação de falhas. Falhas esporádicas são retidas inicialmente após seu primeiro desaparecimento por um contador de autorrecuperação, ou seja, é aplicado um determinado número de frequência, que a cada processo de inicialização é retornado em uma unidade. Caso a falha não mais ocorra e o contador alcance o valor zero, o bloco de falhas correspondente é apagado e avançado para outros blocos de falhas eventualmente existentes.


Dependendo da avaliação de uma falha ocorrida, as seguintes medidas são introduzidas automaticamente:

– Comutação para uma função substituta apropriada para outra característica de dirigibilidade, ainda que limitada, a fim de possibilitar a continuação da viagem até a oficina MAN mais próxima.

– Desligamento automático do motor, desde que necessário por razões de segurança. Assim que ocorre uma falha, um bloco de falhas é registrado na memória de falhas, ou uma falha existente é atualizada.


Essa mensagem contém as seguintes indicações:

– Reconhecimento da falha = SPN ("Suspect Parameter Number")

– Condição do ambiente 1 = SPN1 com o valor pertinente medido

– Condição do ambiente 2 = SPN2 com o valor pertinente medido

– Tipo de falha (causa) = FMI ("Failure Mode Identification")

– Prioridade da falha = PRIORICADE ("Priority"). Dessa forma, cada falha individual recebe uma prioridade, pois as falhas diagnosticadas e registradas no módulo de comando podem trazer riscos distintos.


Prioridade Resposta no painel de instrumentos Significado

1
A luz de alerta da central pisca em vermelho durante o percurso ou com o veículo parado; Indicação no display.
Risco à dirigibilidade e/ou à segurança. Parar imediatamente.
2
Luz de falha da central acende constantemente em vermelho durante o percurso ou com o veículo parado.
Procurar imediatamente uma oficina.

3
Luz de alerta da central acende constantemente em amarelo com o veículo parado.
Medidas necessárias antes do início da viagem. Sem limitação à segurança da viagem.
4
Sem indicação.
Falha sem influência na segurança em trânsito.

5
Luz de alerta da central acende constantemente em amarelo durante o percurso e com o veículo parado.
Solução imediata da falha não é necessária. Solucionar a falha na próxima revisão programada em oficina.


O visor indica somente uma falha por vez:

– Uma falha de alta prioridade tem preferência na indicação do visor

– Uma mensagem com baixa prioridade não é mostrada ao motorista e a indicação atual permanece no visor





Memória de falhas OBD


A memória de falhas OBD é concebida como um módulo suplementar à memória de falhas existente. Falhas relevantes às emissões são sempre armazenadas. Primeiramente na memória de falhas 'normal' com o código de falha SPN, data e hora são registradas com atraso (estabilizado acima de 3 trajetos completos), e também na memória de falhas OBD com o código P padronizado de 5 dígitos. Ao mesmo tempo, com a armazenagem da falha na memória de falhas OBD, a luz de alerta de falha OBD (LIM) começa a piscar. Uma vez que uma falha referente às emissões no sistema de gases de escape não esteja mais ativa, a luz de alerta de falha OBD (LIM) permanecerá acesa por 3 trajetos completos ou 24 horas de operação do motor, antes de se apagar. Uma falha não mais considerada ativa após 40 ciclos de aquecimento ou 100 horas de operação, será classificada como "em ordem" e apagada da memória de falhas.


Ciclo de aquecimento:

O motor é operado até que a temperatura do líquido de arrefecimento tenha aumentado pelo menos 22°C em relação ao estado na partida do motor, e alcançado no mínimo 70°C.


Identificação dos conectores:



(A) Conector do Motor, 89 pinos

(B) Conector do Veículo, 36 pinos

(C) Conector do Injetor, 16 pinos


Local de instalação:
O módulo de comando está fixado no bloco do motor, para os motores de cilindros em linha.


 





Tabela de ligação dos conectores


Módulo eletrônico de comando do motor EDC7 C32 Euro 5 (A435), localização dos pinos do conector A do motor:



Pino Função
A01
Alimentação do módulo de comando (bateria +)
A02
Ativação da válvula proporcional do turbo alimentador
A03
Massa do módulo de comando (bateria –)
A04
Massa da válvula proporcional do turbo alimentador
A05 – A06
Não ocupado
A07 Alimentação do módulo de comando (bateria +)
A08 Ativação da unidade de dosagem (ZME) Mprop
A09 Massa do módulo de comando (bateria –)
A10 Massa da unidade de dosagem (ZME) Mprop
A11 Massa da válvula proporcional, EGR regulada (E-AGR)
A12 Alimentação do módulo de comando (bateria +)
A13 Alimentação do módulo de comando (bateria +)
A14 Massa do módulo de comando (bateria –)
A15 Massa do módulo de comando (bateria –)
A16 Ativação do IMR (motor de partida) sinal - high
A17 Alimentação da válvula proporcional, EGR regulada (E-AGR)
A18 Alimentação da ativação, válvula borboleta EGR (CRT)
A19 Ativação IMR (motor de partida) sinal - low
A20 Entrada de sinal do sensor de baixa pressão do combustível
A21 Entrada de sinal do sensor de pressão do óleo
A22-A23 Não ocupado
A24 Alimentação do sensor de pressão do óleo (5 v)
A25 Alimentação do sensor de pressão do óleo (5 v)
A26 Não ocupado
A27 Não ocupado
A28-A31 Não ocupado
A32 Alimentação do sensor de posição (sinal de confirmação), EGR regulado (5 v)
A33-A35 Não ocupado
A36 Massa da ativação, válvula borboleta EGR (CRT)
A37 Massa do sensor de baixa pressão do combustível
A38 Massa do sensor de pressão do óleo
A39 Massa do sensor de posição do êmbolo (sinal de confirmação), EGR regulado
A40 Alimentação do sensor de baixa pressão do combustível (5V)
A41 Não ocupado
A42 Massa do sinal de confirmação, válvula borboleta EGR (CRT)
A43 Alimentação do sensor de pressão do Common-Rail (5V)
A44 Não ocupado (reserva da saída do sinal da rotação do eixo comando)
A45 Não ocupado
A46-A50 Não ocupado
A51 Luz de controle OBD (LIM)
A52-A53 Não ocupado
A54 Massa do sensor de rotação do eixo comando
A55 Massa do sensor de rotação do virabrequim
A56 Massa do sensor de temperatura do combustível
A57 Massa do sensor de temperatura do ar do turbo, antes da entrada no cilindro
A58 Massa do sensor de temperatura do líquido de arrefecimento
A59 Não ocupado
A60 Não ocupado
A61 Massa do sensor de pressão do Common-Rail
A62 Massa do sensor da pressão de alimentação (LDF6 e LDF6-T)
A63-A69 Não ocupado
A70 Saída de sinal do sensor de temperatura do ar do turbo (integrado ao sensor de pressão do turbo LDF6-T)
A71 Não ocupado
A72 Entrada de sinal do sensor de rotação do eixo comando
A73 Entrada de sinal do sensor de rotação do virabrequim
A74 Não ocupado
A75 Entrada de sinal do sensor de temperatura do combustível
A76 Entrada de sinal do sensor de temperatura do ar do turbo, antes da entrada no cilindro
A77 Entrada de sinal do sensor de temperatura do líquido de arrefecimento
A78 Não ocupado
A79 Sinal de confirmação, válvula borboleta EGR (CRT)
A80 Entrada de sinal do sensor de pressão do Common-Rail
A81 Entrada de sinal do sensor de pressão do turbo
A82 Não ocupado
A83 Massa do sensor de temperatura do óleo do motor (opcional)
A84 Não ocupado
A85 Entrada de sinal do sensor de temperatura do óleo do motor (opcional)
A86 Não ocupado
A87 Entrada de sinal do sensor de posição (sinal de confirmação), EGR regulado
A88-A89 Não ocupado



Módulo eletrônico de comando do motor EDC7 C32 Euro 5 (A435), localização dos pinos do conector B do veículo:



Pino Função
B01
Não ocupado
B02 Não ocupado
B03 - B04
Não ocupado
B05 Alimentação de aquecimento da sonda lambda (positivo da bateria)
B06 Não ocupado
B07 Não ocupado
B08 Sincronismo do aquecedor, aquecimento, sonda lambda (–)
B09-B11 Não ocupado
B12 Ativação - válvula de retenção dos gases de escape (CRT)
B13 - B18 Não ocupado
B19 Massa - válvula de retenção dos gases de escape (CRT)
B20 Não ocupado
B21 M-CAN Low
B22 M-CAN High
B23 Massa virtual da sonda lambda
B24 Corrente pulsante da sonda lambda
B25 HD-OBD-CAN High
B26 Massa do sensor de temperatura dos gases de escape
B27 Não ocupado
B28 - B29
Não ocupado
B30 Tensão Nernst da sonda lambda
B31 Resistência de compensação (corrente de equilíbrio) da sonda lambda
B32 HD-OBD-CAN Low
B33 Entrada de sinal do sensor de temperatura dos gases de escape
B34 Não ocupado
B35 Cabo K ISO
B36 Alimentação do módulo de comando (borne 15)



Módulo eletrônico de comando do motor EDC7 C32 Euro 5 (A435), localização dos pinos do conector C dos injetores:


Pino Função
C01
Injetor do 5º cilindro high-signal
C02 Injetor do 6º cilindro high-signal
C03 Injetor do 4º cilindro high-signal
C04 Injetor do 1º cilindro high-signal
C05 Injetor do 3º cilindro high-signal
C06 Injetor do 2º cilindro low-signal
C07 - C10 Não ocupado
C11 Injetor do 2º cilindro high-signal
C12 Injetor do 3º cilindro low-signal
C13 Injetor do 1º cilindro low-signal
C14 Injetor do 4º cilindro low-signal
C15 Injetor do 6º cilindro low-signal
C16 Injetor do 5º cilindro low-signal





Bomba de alta pressão CP3.4


Descrição:

A bomba de alta pressão CP3.4 é uma bomba de pistão radial com 3 cilindros. Ela tem a tarefa de gerar alta pressão necessária para a injeção e transportar um volume suficiente de combustível em todas as situações operacionais. Acionada pelo motor, a bomba de alta pressão é montada nos motores de cilindros em linha D08 na mesma posição como em uma bomba de injeção convencional. O acionamento da bomba de alta pressão é feito através de engrenagens. Através de uma polia, o acionamento das engrenagens dianteiras também aciona o alternador, a bomba de água e, se instalados, o compressor do sistema de ar condicionado, na parte dianteira do motor.

O combustível é comprimido por uma bomba de pré-alimentação através das tubulações de combustível para o filtro de combustível (KSC) e, a seguir, através do ZME na "câmara de admissão" da bomba de alta pressão. A bomba de pré-alimentação se une à bomba de alta pressão através de flange. No lado da admissão da bomba de alta pressão, está agregada a unidade de dosagem ZME (MProp). A unidade de dosagem é um atuador para a regulagem da pressão do combustível no acumulador de alta pressão (Common-Rail). Atualmente, está aplicada a bomba de pistão radial CP3.4.



(1) Bomba de alta pressão

(2) Unidade de dosagem ZME (MProp)

(3) Bomba de alimentação


A bomba de alta pressão CP3.4 é uma bomba de pistão radial com 3 cilindros. A relação de ampliação para o virabrequim nos motores D08 é de 1:1,33, ou seja, a bomba de alta pressão gira mais rápido que o virabrequim.



Nota:
Após a troca da bomba, o sistema de combustível deve ser drenado antes da primeira partida (consultar manual de operação, capítulo „”Auto-auxílio do sistema de combustível").


Local de instalação:

A bomba de alta pressão é acionada pelo motor e está montada na mesma posição de uma bomba de injeção convencional.







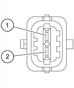
Unidade de dosagem ZME (válvula proporcional de combustível MProp) (Y332, Y356)


Descrição:

A unidade de dosagem ZME (MProp) é um atuador para regulagem da pressão do combustível no acumulador de alta pressão (Common-Rail). A unidade de dosagem se encontra no lado de baixa pressão (lado de entrada) da bomba de alta pressão e está fixada na carcaça da bomba de alta pressão CP3.

A unidade de dosagem ZME é regulada por uma saída PWM (sinal modulado por largura de pulso):

Ciclo de trabalho 100% ----------------------------------------------------------------------------- Unidade de medição fechada (descarga de volume nula).

Ciclo de trabalho 0%    ----------------------------------------------------------------------------- Unidade de dosagem aberta (descarga máxima).

O ciclo de regulagem consiste no sensor de pressão do Common-Rail, módulo de comando e unidade de dosagem.





Local de instalação:

A unidade de dosagem ZME (MProp) está fixada na carcaça da bomba de alta pressão.




Tabela de ligação dos conectores:

Pino Função Módulo de comando, pino A435 Módulo de comando, pino A570
1
Sinal de entrada PWM
A08
A08
2
Massa
A10 A10





Acumulador de alta pressão (Common-Rail)


Descrição:

O nome "Common-Rail" deriva do tipo e função do acumulador de alta pressão. O combustível é injetado através desse conjunto acumulador (Common), que é, ao mesmo tempo, um distribuidor ou trilho (Rail) para um cilindro individual. Assim, o combustível está constantemente sob alta pressão, sendo removido somente no momento exato.


As funções do acumulador de alta pressão são:

– Armazenar combustível e

– Evitar oscilações de pressão.


O acumulador de alta pressão é um tubo fabricado em aço forjado. Dependendo do motor, ele tem diferentes diâmetros e comprimentos. Para evitar oscilações de pressão, é desejado o maior volume possível, isto é, o maior diâmetro possível. Entretanto, um volume pequeno favorece uma partida rápida do motor.

Assim, é necessário um dimensionamento o mais exato possível do volume para o motor. A figura abaixo apenas sugere um exemplo de dimensionamento. No acumulador de alta pressão, também estão agregados à válvula de limitação de pressão (1) e o sensor de pressão do Common-Rail (2). O combustível segue desde a bomba de alta pressão, passando por uma tubulação, até o acumulador de alta pressão. Para cada cilindro existe uma conexão no acumulador de alta pressão, através da qual o combustível chega ao injetor, via uma tubulação.



Nota:
Como resultado do aperfeiçoamento técnico, a válvula de limitação de pressão foi integrada no acumulador de alta pressão, formando uma unidade única com o Common-Rail.


(1) Válvula de controle de pressão

(2) Sensor de pressão do Common-Rail





Válvula de controle de pressão


Descrição:

A válvula de controle de pressão está montada no acumulador de alta pressão (Common-Rail) e funciona como uma válvula de segurança com limitação de pressão. A válvula de controle da pressão limita a pressão no Common-Rail. Com pressões muito altas, existe uma abertura de descarga livre. Na pressão normal de operação, uma mola comprime hermeticamente um êmbolo no assento da válvula, fazendo com que o Common-Rail permaneça fechado. Somente em caso de ultrapassar a pressão máxima do sistema, um pistão é pressionado contra uma mola através da pressão no Common-Rail.

A válvula de limitação de pressão consiste em dois êmbolos. No caso de pressão muito elevada no Common-Rail (cerca de 1.800 bar), o primeiro êmbolo se move e libera permanentemente uma seção transversal parcial, através da qual o combustível pode escoar do distribuidor. A pressão do Common-Rail deve ser mantida constante em cerca de 700 a 800 bar. O motor continua funcionando e o veículo pode ser movido com volume reduzido de carga até a oficina MAN mais próxima.

A válvula de limitação de pressão só volta a fechar se o motor for desligado e a pressão do Common-Rail cair abaixo de 50 bar, isto é, se for aberto uma vez, o 2.º estágio permanece aberto enquanto o motor funciona.

Caso a válvula de limitação de pressão não abra suficientemente rápido, ela é empurrada aberta, isto é, sua abertura é forçada. Para abrir a válvula de limitação de pressão, a unidade de dosagem de combustível (ZME) Mprop é aberta através da interrupção da alimentação de tensão, assim como é bloqueada a saída de combustível através da injeção. A pressão do Common-Rail é intensificada até que a pressão de abertura da válvula de limitação de pressão seja alcançada. Se a abertura forçada não for bem sucedida, por exemplo, por causa de uma válvula de limitação de pressão mecanicamente emperrada, o motor é desligado.



Nota:
Como resultado do aperfeiçoamento técnico, a válvula de limitação de pressão foi integrada ao acumulador de alta pressão, formando uma unidade única com o Common-Rail.



Local de instalação:

A válvula de controle da pressão está montada no acumulador de alta pressão (Common-Rail).







Sensor de pressão do Common-Rail


Descrição:

O sensor de pressão do Common-Rail monitora a pressão de combustível no acumulador de alta pressão (Common-Rail). O objetivo é garantir uma pressão pré-indicada conforme o ponto de operação no acumulador de alta pressão (Common-Rail). O sensor de pressão do Common-Rail está montado no acumulador de alta pressão.

A faixa de medição do sensor é de 0 a 1.800 bar.




Curva característica do sensor:



Local de instalação:

O sensor de pressão do Common-Rail está montado no acumulador de alta pressão (Common-Rail).





Ligação dos conectores:


Pino Função Módulo de comando, pino A435 Módulo de comando, pino A570
1
Massa do sensor
A61
A61
2
Sinal de saída
A80 A80
3
Alimentação de voltagem 5 V
A43
A43





Injetor (Y341 - Y346)


Descrição:

O injetor insere o combustível na câmara de combustão. O módulo eletrônico de comando do motor EDC 7 indica o tempo de injeção (duração de ativação da bobina do injetor para injeção anterior, principal e, eventualmente, posterior) e o ponto de injeção, e ativa a válvula eletromagnética do injetor de modo extremamente rápido. Através do induzido da válvula eletromagnética, o limitador de descarga da câmara de distribuição é aberto ou fechado. Na abertura do limitador de descarga, a pressão é reduzida na câmara de distribuição e a agulha de injeção se abre. No fechamento do limitador, a pressão aumenta na câmara de distribuição e a agulha de injeção é fechada. Portanto, o comportamento de abertura da agulha de injeção (velocidade de abertura e fechamento) é determinado pelo limitador de descarga na câmara de distribuição do injetor. Através da tubulação de retorno, o volume de fuga do injetor (fuga através do limitador de descarga e da agulha de injeção) é retornado ao tanque. O volume de injeção exato é determinado através da seção transversal de descarga do bico, do tempo de abertura da válvula eletromagnética e da pressão do acumulador.



Nota:
Ao substituir o injetor, se a troca for imprescindível, atentar para que os injetores novos tenham o mesmo número Bosch. Atualmente, existem dois tipos de injetores: A substituição de injetores "velhos" por "novos" não é possível! Não misturar! Se for necessário adaptar injetores de tipo mais novo, o Common-Rail e o módulo de comando devem ser substituídos.





Local de instalação:

Os injetores são dispostos na mesma posição dos bicos injetores convencionais, no cabeçote. A figura ilustra um exemplo de instalação em um motor D28.







Sensor de rotação do virabrequim (B488)


Descrição:

Instalado no volante do motor, este sensor mede o ângulo de acionamento da árvore de manivelas (calculado). Esta informação é determinante para o ponto correto de ativação dos injetores de cada cilindro.

A engrenagem do sensor funciona como uma engrenagem. Por esta razão, este sensor de rotação será designado, daqui por diante, como sensor  de rotação. A engrenagem é um componente do volante do motor e possui 60 – 2 = 58 furações (6x5 mm), que estão dispostas com afastamentos de 6°. Faltam duas furações para formar um vão. O vão serve para determinar a posição do ângulo do motor a 360° da árvore de manivelas (um giro da manivela) e é atribuído a uma posição definida da mesma, no 1º cilindro. A partida do motor também pode ocorrer somente com o sensor da árvore de manivelas ou somente com o sensor do eixo comando. Na operação somente com o sensor da árvore de manivelas, são feitas injeções de teste no processo inicial na troca de gás em PMS e na ignição em PMS, já que o EDC só deve buscar a ignição correta em PMS sem o sensor do eixo comando. Se o módulo de comando reconhece uma reação de rotação (ignição), o PMS correto é encontrado e ocorre a partida do motor, funcionando como se estivesse com ambos os sensores.

O  de rotação consiste em um ímã permanente e uma bobina. O ímã "move" com seu campo magnético a parte mecânica a ser girada e detectada, no caso o rotor, que está instalado no árvore de manivelas. Caso um orifício se mova no sensor e passe pelo mesmo, o fluxo de corrente é intensificado ou cresce entre os vãos. Isto gera uma tensão de indução na bobina do sensor, que é avaliada pelo sistema eletrônico de comando. A distância do sensor ao rotor é de aproximadamente 1 mm.





Local de instalação:

O de rotação está montado no alojamento do volante do motor.





Ligação dos conectores:

1- Ligação de conectores
2- Esquema do circuito


Pino Função Módulo de comando, pino A435
1(2)
Sinal de saída A73
2(1)
Massa do sensor A5


Sequência de sinais:

No pino 2, aparece a 1ª senóide positiva ao passar um material condutor de magnetismo.



Nota:
A primeira senóide deve ser positiva, caso contrário ocorre o registro de falha SPN 3753.





Sensor de rotação do eixo comando (sensor de seguimento de rotação) (B489)


Descrição:

O sensor de seguimento de rotação detecta a rotação do eixo comando do motor e transmite esta informação na forma de tensão de indução ao módulo de comando. O eixo comando controla as válvulas de admissão e exaustão do motor, girando com a metade da velocidade da árvore de manivelas. Sua posição determina se um êmbolo se encontra no sincronismo de pressão ou no sincronismo de exaustão ao mover-se para o PMS. Esta informação não pode ser obtida a partir da posição da árvore de manivelas durante o processo de partida. Em contrapartida, com o veículo em movimento, a informação gerada na árvore de manivelas pelo sensor  de rotação é suficiente para determinar a posição do motor. Isto significa que, em caso de falha do sensor de rotação no eixo comando com o veículo em funcionamento, a posição do motor ainda continua a ser reconhecida pelo módulo de comando. A engrenagem do sensor é executada como uma engrenagem de seguimento, e é acionada pelo eixo comando. Por esta razão, esse sensor de rotação será designado, daqui por diante, como sensor de seguimento de rotação. A engrenagem também é denominada sensor de fase. O sensor possui uma marca de fase por cilindro (por exemplo, 6 marcas em motores de 6 cilindros, ou 4 marcas em motores de 4 cilindros) e uma marca de sincronização. A marca de fase é um dente na engrenagem de fase. As marcas de fase são divididas em distâncias uniformes através da engrenagem de fase. A marca de sincronização é uma marca adicional na engrenagem de fase, que se situa compactamente atrás de uma das marcas de fase. Ela serve para determinar a posição do ângulo do motor dentro de 720° da árvore de manivelas. A partida do motor também pode ocorrer somente com o sensor do eixo comando ou com o da árvore de manivelas. Na operação somente com o sensor da árvore de manivelas, são feitas injeções de teste no processo inicial na troca de gás em PMS e na ignição em PMS, já que o EDC só deve buscar a ignição correta em PMS sem o sensor do eixo comando.

Se o módulo de comando reconhece uma reação de rotação (ignição), o PMS correto é encontrado e ocorre a partida do motor, funcionando como se estivesse com ambos os sensores. Na operação somente com o sensor do eixo comando, as correções de ângulo são armazenadas no módulo de comando, de modo que o ponto de injeção também possa ser determinado corretamente sem o cálculo exato do ângulo de acionamento através do sensor . Na estrutura e no modo de atuação, o sensor do seguimento de rotação se assemelha ao sensor  de rotação para a detecção da rotação da árvore de manivelas.




Local de instalação:

O sensor de segmento de rotação está montado na seção frontal do motor, no acionamento do eixo comando.





Ligação dos conectores:

1- Ligação de conectores
2- Esquema do circuito




Pino Função Módulo de comando, pino A435
1(2)
Sinal de saída A72
2(1)
Massa do sensor A54


Sequência de sinais:

No pino 2, aparece a 1ª senóide positiva ao passar um material condutor de magnetismo.



Nota:
A primeira senóide deve ser positiva, caso contrário ocorre o registro de falha SPN 3752.





Sensor de pressão do óleo (B104)


Descrição:

O sensor de pressão do óleo é um instrumento de proteção do motor, uma vez que sua função é monitorar a pressão do óleo. A faixa de medição da pressão se estende de 0 (0,5 V) a 6 bar (4,5 V).



Curva característica do sensor:




Local de instalação:

O sensor de pressão do óleo está montado na carcaça do filtro de óleo do motor.





Ligação dos conectores:

Pino Função Módulo de comando, pino A435
1
Alimentação de voltagem 5 V A24
2
Massa do sensor A38
3
Sinal de saída A21
4
-
-




Sensor de pressão do combustível (B377)


Descrição:

O sensor de pressão do combustível monitora a pressão do combustível no fluxo de entrada da bomba (no lado de baixa pressão). A faixa de medição da pressão se estende de 0 (0,5 V) a 15 bar (4,5 V).




Curva característica do sensor:



Local de instalação:

O sensor de pressão de combustível está montado na carcaça do filtro de combustível.





Ligação dos conectores:


Pino Função Módulo de comando, pino A435
1
Alimentação de voltagem 5 V A40
2
Massa do sensor A37
3
Sinal de saída A20
4
-
-





Sensor de pressão do turbo Bosch LDF 6T (B125)


Descrição:

O sensor de pressão do turbo LDF 6T serve para a medição da pressão absoluta do turbo;

Um sensor de temperatura está integrado ao sensor da pressão de alimentação.



Curva característica do sensor:



Local de instalação:

O sensor de pressão do turbo está montado no coletor de admissão.





Ligação dos conectores:


Pino Função Módulo de comando, pino A435
1
Massa do sensor A62
2
 - -
3
Alimentação de voltagem 5 V A25
4
Sinal de saída A81





Sensor da temperatura do ar do turbo (B123)


Descrição:

O sensor da temperatura do ar do turbo monitora o retorno dos gases de escape junto com o sensor de pressão do turbo LDF 6T (B623).




Tabela de valores medidos:

Temperatura em °C
120
100
80
60
40
20
0
-20
-40
Resistência em Ohm
112
186
322
595
1175
2500
5896
16462
45313
Voltagem em V
0,643
0,982
1,480
2,170
2,980
3,740
4,300
4,613
4,754



Local de instalação:

O sensor de temperatura do ar do turbo está montado no coletor de admissão.




Ligação dos conectores:

1 - Ligação de Conectores
2- Esquema do circuito


Pino Função Módulo de comando, pino A435
1
Sinal de saída A76
2
 - -
3
Massa do sensor A57
4
-
-




Sensor de temperatura do líquido de arrefecimento (B124)


Descrição:

O sensor de temperatura do líquido de arrefecimento é uma resistência NTC. Localizado no circuito de refrigeração, o sensor fornece ao módulo de comando informações sobre a temperatura do líquido de arrefecimento. Dependendo da temperatura do líquido de arrefecimento, são chamados diversos campos característicos do módulo de comando para a operação do motor.



Local de instalação:

O sensor de temperatura do líquido de arrefecimento está instalado na tubulação de água do motor.





Tabela de valores medidos:

Temperatura em °C
120
100
80
60
40
20
0
-20
-40
-48
Resistência em Ohm
112
186
322
595
1175
2500
5896
15462
45313
70900
Voltagem em V
0,643
0,982
1,480
2,170
2,980
3,740
4,300
4,613
4,754
4,781



Ligação dos conectores:

1- Ligação de conectores
2- Esquema do circuito


Pino Função Módulo de comando, pino A435
1
Sinal de saída A77
2
 - -
3
Massa do sensor A58
4
-
-





Sensor de temperatura dos gases de escape (B561)


Descrição:
O sensor de temperatura B561 monitora a temperatura dos gases de escape para monitoramento do NOx.



Reconhecimento do ponto de orvalho:

Na operação normal, a temperatura de trabalho da sonda lambda fica em 780°C. Após a partida do motor, existe o risco da cerâmica da sonda lambda ser danificada ou destruída por conta da água condensada. Para evitar a formação de gotas, deve-se determinar a quantidade de calor captada (em função da corrente e da temperatura da massa dos gases de escape). Dependendo da quantidade de calor captado, ocorre a liberação do aquecimento da sonda lambda.



Local de instalação:

O sensor de temperatura dos gases de escape está instalado no tubo de escapamento.




Tabela de valores medidos:
 
Temperatura em °C
0
25
200
400
600
800
Resistência em Ohm
200
220
352
494
627
751



Ligação dos conectores:
 

Pino Função Módulo de comando, pino A435
1 (2)
 Sinal de saída B33
2 (1)
Massa do sensor B26




Sonda lambda (B322)


Descrição:

A sonda lambda é empregada em motores com recirculação dos gases de escape, resfriados como método alternativo para a medição por meio do sensor de NOx. Este conceito de monitoramento nos motores com recirculação dos gases de escape se baseia na dependência primária das emissões de NOx, do teor de oxigênio e da massa de carga útil (massa de ar e massa dos gases de escape recirculados) no cilindro em pontos fixos de operação.

A sonda lambda mede a diferença da concentração de oxigênio entre o ar ambiente e o fluxo dos gases de escape. Com isto, o sinal de medição fornecido pela sonda é uma medida direta para o teor de ar nos gases de escape. Através do aquecimento da sonda, uma análise do teor de ar já pode ocorrer para temperaturas dos gases de escape em torno de 150°C. A sonda lambda aqui utilizada (LSU 4.9) é uma sonda de banda larga, isto é, os valores lambda podem ser medidos continuamente entre λ = 0,65 e o ar. Isto é possível uma vez que "corrente pulsante" em curso quase linear serve como grandeza de medição ao módulo de comando. A sonda de banda larga ocupa duas células: uma de bomba e uma de sensor (célula de concentração Nernst). Com a corrente de pulso, sempre são bombeados muitos íons de oxigênio para a câmara de medição, até atingir um valor de tensão de 450 mV entre os eletrodos no canal de ar de referência e na célula de medição. A corrente de pulso é a grandeza de medição para o valor de lambda. Assim, um circuito de avaliação correspondente está em condições de avaliar a sonda lambda para o monitoramento da EGR-Rate. O EGR-Rate tem influência direta sobre os valores de NOx (um EGR-Rate muito baixo condiciona uma concentração muito alta de NOx, sendo colocado SPN 3930).




Local de instalação:

A Sonda lambda está instalada no tubo de escapamento.






Ligação dos conectores:

Pino Função Módulo de comando, pino A435
1
Corrente pulsante
B24
2
Massa virtual
B23
3
Ativação do sincronismo do aquecedor, aquecimento da sonda (–)
B08
4
Alimentação de aquecimento da sonda(positivo da bateria)
B05
5
Resistência de compensação (corrente de equilíbrio)
B31
6
Voltagem Nernst





Válvula proporcional do turbocompressor com indução forçada de 2 estágios (Y340)


Descrição:

A válvula proporcional do turbocompressor regula a pressão do turbo em motores do tipo D08 com indução forçada de 2 estágios. A válvula proporcional do turbocompressor é ativada pelo módulo de comando EDC com uma saída PWM (sinal modulado por largura de pulsação). Conforme este sinal, a válvula reguladora de pressão do turbo varia a pressão adjacente à dosagem de passagem secundária do turbocompressor e, com isto, a posição da válvula de passagem secundária ou a pressão de alimentação. Os valores limite do sinal PMW situam-se entre 0 % correspondendo ao 'wastegate' aberto ao máximo (pressão de alimentação mínima) e 100 %, isto é, 'wastegate' fechado (pressão de alimentação máxima). No caso de funções falhas, o EDC reconhece um desvio de regulagem, reduz o volume de injeção e a rotação do motor.

Na indução forçada de 2 estágios, os gases de escape fluem a princípio através de um pequeno turbocompressor (estágio de alta pressão) e, a seguir, por um estágio maior, de baixa pressão. Uma vez que os dois turbocompressores estão à disposição para toda faixa de carga de rotação, a turbina de alta pressão pode ser dimensionada bem pequena. Através disto, o compressor de alta pressão pode dispor mais fácil e rapidamente o ar exigido em uma aceleração. No fluxo de massa mais alto dos gases de escape, a turbina de alta pressão é interagida parcialmente por meio do bypass. Deste modo, o nível de fuligem gerado na aceleração pode se manter mínimo, evitando uma sobrecarga da turbina de alta pressão. Na operação dinâmica, as vantagens da alimentação de dois estágios podem ser nitidamente percebidas. Paralelamente ao aumento do fornecimento de ar, prevalecerá o melhor comportamento de resposta.




Local de instalação: 

A válvula proporcional do turbocompressor está instalada na parte traseira do motor, próximo à carcaça do volante.





Ligação dos conectores:
 

Pino Função Módulo de comando, pino A435
1 (2)
 Ativação + A02
2 (1)
Ativação – A04
 




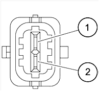
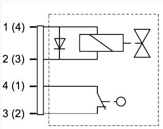
Atuador de retorno dos gases de escape do EGR (Y280)


Descrição:

No retorno externo dos gases de escape resfriados, o fluxo principal dos gases de escape desvia uma pequena parte destes e os passa através de um trocador de calor especial. Através de um sistema de válvulas na parte dianteira do motor, os gases de escape resfriados do ar fresco são misturados daqui em diante na ala de admissão. Por isso, a temperatura de combustão permanece mais baixa. A formação de óxidos nitrosos (NOX) é reduzida. A ativação do atuador do EGR ocorre através do módulo de comando do EDC. O EGR é desligado em determinadas condições de temperatura; Por um lado, isso evita a condensação de ácidos sulfúricos em temperaturas frias do ar do turbo; e por outro lado, previne o superaquecimento do ar do turbocompressor através dos gases de escape de retorno. Para que a válvula do EGR aberta ou fechada possa ser reconhecida, há um contato 'Reed' instalado no atuador do EGR, que monitora a posição da válvula.


O atuador de retorno dos gases de escape (atuador de EGR) consiste basicamente nos seguintes componentes:

– Cilindro de ar comprimido para o acionamento da válvula de retorno dos gases de escape;

– Válvula eletromagnética para a ativação do cilindro;

– Contato 'Reed' para sinal de confirmação da posição do êmbolo.



Nota:
Na posição de repouso (êmbolo retraído), o contato 'Reed' está fechado. Considerar representações divergentes nos esquemas de circuitos.




Local de instalação:

O atuador de retorno dos gases de escape está instalado na parte superior traseira do motor, próximo a tampa de válvulas do cabeçote.





Ligação dos conectores:

1- Ligação de conectores
2- Esquema do circuito







Pino Função Módulo de comando, pino A435
1(4)
Ativação (–) A11
2(3)
Ativação (+) A17
3(2)
Sinal de confirmação (+)
A23
4(1)
Sinal de confirmação A22
 




Válvula proporcional E-AGR (Y458)


Descrição:

A válvula proporcional (Y458) ativa o atuador AGR de regulagem de posição (E-AGR). O meio de trabalho é o ar em pressão mínima de operação de aproximadamente 7 bar. Como sinal de ativação, é indicada uma grandeza de ciclo de trabalho do módulo de comando EDC.



Local de instalação:

A válvula proporcional E-AGR está instalada próxima à carcaça do filtro de combustível.






Ligação dos conectores:

Pino Função Módulo de comando, pino A435
1
Massa A17
2
Ativação da válvula proporcional A11
 




Tomada de diagnóstico HD-OBD (X200)


Descrição:

A tomada de diagnóstico HD-OBD de 16 pólos, padronizada conforme ISO 15031-3, possibilitará um sistema de diagnóstico para componentes relevantes aos gases de escapamento para praticamente todos os veículos.


Pino Função
1
Sinal de rotação do alternador, borne W
2
Não ocupado
3
Linha K
4
Massa, borne 31
5
Não ocupado
6
HD-OBD-CAN High
7
Não ocupado
8
Alimentação elétrica, borne 15
9-13
Não ocupado
14
HD-OBD-CAN Low
15
Não ocupado
16
Alimentação elétrica, borne 30



Cabo adaptador HD-OBD:





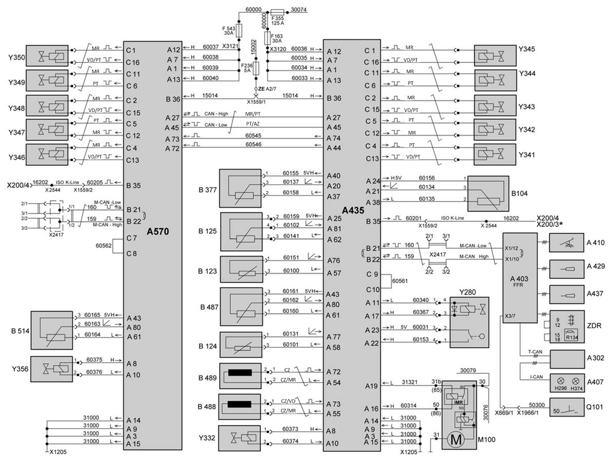
Diagrama do módulo EDC


Legenda:

A302 -Módulo central da cabine A403 Gerenciamento eletrônico do veículo
A407 -Painel de instrumentos
A410 -Pedal do acelerador
A429 -Interruptor do piloto automático
A435 -Módulo eletrônico de comando do motor EDC (master)
A437 -Tecla de controle do freio contínuo
A570 -Módulo de comando eletrônico do motor EDC II (slave)
B104 -Sensor de pressão do óleo
B123 -Sensor de temperatura do ar do turbo
B124 -Sensor de temperatura do líquido de arrefecimento
B125 -Sensor de pressão do turbo
B377 -Sensor da pressão do combustível
B487 -Sensor de pressão do Common-Rail
B488 -Sensor de rotação do árvore de manivelas (sensor  de rotação)
B489 -Sensor de rotação do eixo comando (sensor de segmento de rotação)
B514 -Sensor de pressão do Common-Rail II
F163 -Fusível de regulagem do motor (master borne 30)
F236 -Fusível de regulagem do motor (borne 15)
F355 -Fusível principal 30-2
F543 -Fusível de regulagem do motor II (slave borne 30)
H296 -Luz de controle do EDC
M100 -Partida
Q101 -Interruptor de partida da ignição
R134 -Grupo de resistências
X200 -Tomada para diagnóstico
X669 -Conexão do bloqueio de partida
X1205 -Distribuidor do condutor 31000
X1559 -Conexão do motor / EDC / caixa de mudanças IV
X1966 -Conexão da chave de ignição
X2417 -Conexão motor-CAJ 3 tripla
X2544 -Distribuidor potencial de 21 polos, cabo K
X3120 -Pino roscado M6 do distribuidor, borne 30 (compartimento do dispositivo)
X3121 -Pino roscado M6 do distribuidor, borne 30 (compartimento do dispositivo)
Y280 -Cilindro de retorno dos gases de escape AGR Y332 Unidade de dosagem ZME (válvula proporcional do combustível do MProp)
Y341 
-Injetor do 1º cilindro
X342 -Injetor do 2º cilindro
Y343 -Injetor do 3º cilindro
Y344 -Injetor do 4º cilindro
Y345 -Injetor do 5º cilindro
Y346 -Injetor do 6º cilindro
Y347 -Injetor do 7º cilindro
Y348 -Injetor do 8º cilindro
Y349 -Injetor do 9º cilindro
Y350 -Injetor do 10º cilindro
Y356
-Unidade de dosagem ZME II (válvula proporcional do combustível de MProp)
ZDR
-Interface de rotação intermediária


*** Na tomada de diagnóstico HD-OBD situa-se o cabo K no pino 3.



 Clique para imprimir o diagrama abaixo




Topo da Página