|
Descrição da Falha
A mensagem da informação da
temperatura do ar ambiente e da velocidade do veículo com valores
não plausíveis na rede CAN.
Indicação de Falha
Luz de alerta acende constantemente em vermelho com símbolo e ativa o alarme sonoro curto, com o veículo andando ou parado.
A LIM permanece desligada.
Estratégia de Monitoramento
O módulo EDC7 monitora as mensagens na rede CAN relativo a temperatura do ar ambiente e da velocidade do veículo.
Efeito da Falha
O módulo EDC7 adota valores de emergência para o funcionamento do motor.
Possíveis Falhas
FMI 3: Sinal não plausível (temperatura do ar ambiente e da velocidade do veículo).
Aviso
 Para
a nova geração dos módulos de comando EDC7 C32, não está mais previsto
testar a rede CAN com a resistência de 120 Ohms aplicada no fim do
circuíto. A resistência de fim de circuíto foi substituída internamente
no módulo de comando EDC por uma de circuito "Resistência Dinâmica de
chaveamento RC". Isto significa que o CAN do Motor (M-CAN) não pode ser
mais medido no módulo de comando conectado diretamente no PTM (Power
Train Management), pois são medidos 120 Ohm ao invés dos 60 Ohm
esperados e por consequência será interpretado pelo módulo como um
cabeamento com defeito. Portanto, as medições, só podem ser realizadas
com o módulo de comando EDC7 desconectado (conectores soltos), ignição
desligada e caixa de testes eletroeletrônicos conectada ou por um
osciloscópio!
Registros de Falhas em Outros
Módulos de Comando
Sim, PTM (Power Train Manager).
Considerar os esquemas
elétricos do veículo
| Verificação
|
Medição |
Eliminação da
Falha |
Tacógrafo Modular
|
-
|
- Verificar o sensor de velocidade do veículo
|
Módulo PTM
|
-
|
- Verificar o sensor da temperatura do ar ambiente
|
|
Módulo do motor EDC7
|
Utilize o Tester Box e consulte o manual Verificação EDC7 C32:
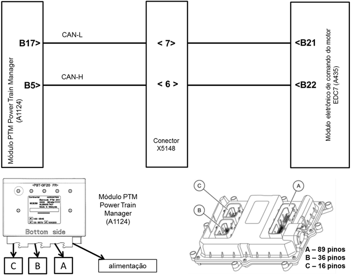
Medir a resistência entre
os pinos B21 (CAN-L) e B22
(CAN-H)
Valor nominal:
~120 Ω
|
– Verificar a alimentação de voltagem
– Verificar os cabos quanto a rompimento ou oxidação
– Verificar as conexões quanto a mau contato ou pinos tortos
– Em cerca de 0 Ω, curto-circuito de CAN-H
para CAN-L
– Caso nenhuma falha seja verificada,
substituir o módulo EDC7 ou a PTM (Power Train Manager)
|
Rede CAN EDC7 - PTM
M-CAN
|
Valor nominal:
Ver a curva do osciloscópio
|

CAN High: Canal A
CAN-Low: Canal B
Tester Box

|