|
Descrição da Falha
Duração de
energização do rele integrado no motor de partida, tempo excessivo.
Indicação de Falha
Luz de alerta acende constantemente com os símbolos e e ativa o alarme sonoro longo, com o veículo andando ou parado.
A LIM permanece desligada.
Estratégia de Monitoramento
O módulo EDC7 monitora o rele integrado do motor de partida quanto a tempo de energização.
Efeito da Falha
Esta falha ocorre, se for dada
novamente a partida no período de correção durante a fase de
desligamento do motor. Do contrário, esta falha não tem efeito.
Possíveis Falhas
FMI 1 : Tempo de energização do rele integrado ao motor de partida, superior a 30 segundos.
Aviso
 Em função
do tempo de acionamento do motor de partida, o aquecimento do motor de
partida é avaliado no módulo de comando. Se o motor de partida for
acionado ininterruptamente por mais de 30 segundos sem que o motor dê
partida, surge a mensagem de falha SPN 3813 no display. Esta mensagem
de falha permanece ativa até que se constate que o motor de partida foi
resfriado o suficiente. Para cada 30 segundos de acionamento, a
mensagem de 10 minutos está ativa e será apresentada no cluster. Do contrário, esta falha não tem
efeitos e a mensagem de falha desaparece automaticamente após o decurso
do tempo pré-indicado. Provavelmente, ainda há uma segunda falha no
sistema, já que deve haver uma razão para o longo processo de partida
(ar no sistema, falha do sensor, alimentação de combustível, etc).
Registros de Falhas em Outros
Módulos de Comando
Não.
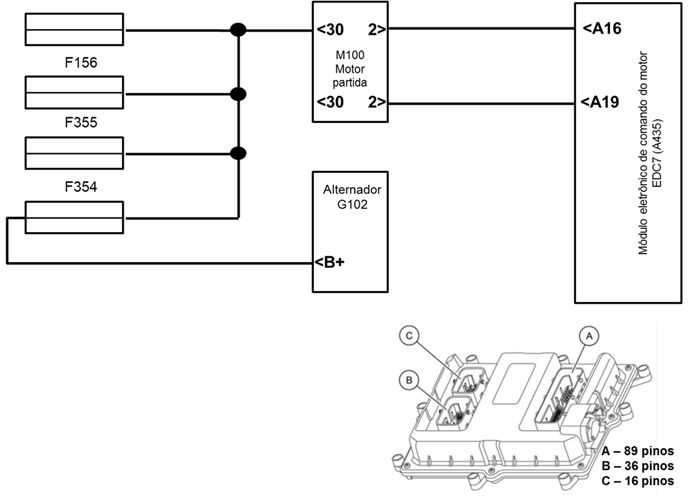
Considerar os esquemas
elétricos do veículo
| Verificação
|
Medição |
Eliminação da
Falha |
|
Sistema EDC7
|
–
|
- Verificar a alimentação de combustível
- Consulte a tabela de possíveis falhas da partida do motor
- Efetuar a verificação hidráulica do sistema
- Verificar a ligação elétrica do motor de partida.
- Verificar o motor de partida conforme o manual de reparos elétricos.
|

|