|
Descrição da Falha
Não é possível a
comunicação com a PTM (Power Train Manager) ou a própria PTM
solicita modo "stand-alone".
Indicação de Falha
Luz de alerta acende constantemente
com os símbolos
e e ativa o alarme sonoro
longo, com o veículo andando ou parado.
A LIM permanece desligada.
Estratégia de Monitoramento
O módulo EDC7 monitora a
solicitação de marcha lenta proveniente da PTM (Power Train
Manager) ou a eventual perda de comunicação com PTM (Power Train
Manager).
Efeito da Falha
O módulo EDC7 entra em modo
"Stand-Alone“, marcha lenta, e desabilita o pedal de acelerador.
Possíveis Falhas
FMI 1: Não é possível a comunicação
com
PTM (Power Train Management) ou a PTM solicita o modo "Stand-Alone".
Aviso
 Não há
aviso específico para este código
Registros de Falhas em Outros
Módulos de Comando
Sim, PTM (Power Train Manager).
Considerar os esquemas
elétricos do veículo
| Verificação
|
Medição |
Eliminação da
Falha |
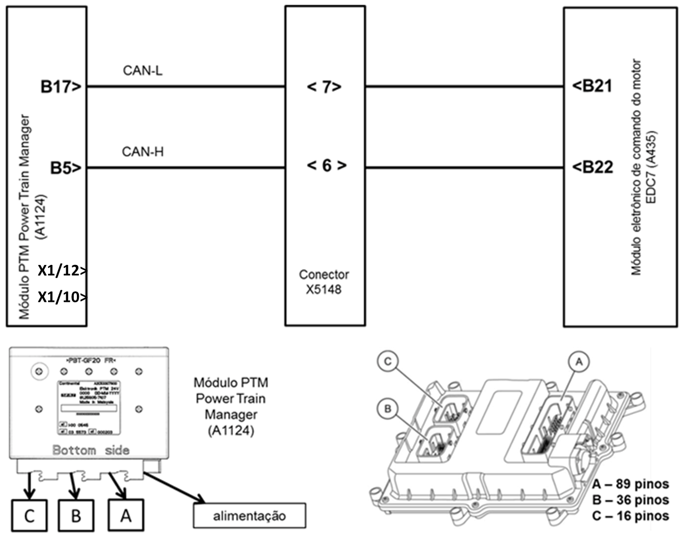
| Módulo eletrônico EDC7 |
Utilize o Tester Box
e consulte o manual Verificação EDC7 C32:
- Medir a resistência entre os pinos B21
(CAN-L) e B22 (CAN-H)
Valor nominal:
~120 Ω
|
– Verificar a
tensão dealimentação
– Verificar os cabos
quanto a rompimento ou oxidação
– Verificar as
conexões quanto a mau contato ou pino torto
– Em cerca de 0 Ω,
curto-circuito de CAN-H para CAN-L
– Caso nenhuma falha
seja verificada, substituir a PTM (Power Train Maneger)
|
Tester Box
|